Автоматика для циркуляционного насоса
Общее определение включает несколько видов элементов – терморегулятор, реле, блок бесперебойного питания. Все эти узлы необходимы для регулировки температуры теплоносителя, подаваемого в магистраль, а также обеспечения бесперебойной работы насоса.
Рекомендуем к прочтению:Схемы открытой системы отопления с циркуляционным насосом и баком
Стоит знать, что термостат для циркуляционного насоса может пригодиться и для квартиры – прибор подключается к радиатору и применяется для регулировки циркуляции теплоносителя через батарею. В некоторых квартирах такой вариант управления считается единственно возможным.
Термостат
Соединяет в себе функции вентиля и термоэлемента, контролирует температуру теплоносителя.
Как работает насос циркуляционный с датчиком температуры:
- Сначала определяется информация с температурного датчика, на котором выстроен весь принцип работы.
- Показатели сравниваются с выставленными настройками. Их нужно вводить в побочном меню устройства. Здесь различается сама температура включения насоса и гистерезис – так называется интервал запаздывания температуры при запуске и отключении оборудования.
- Как только пошел процесс нагревания, гистерезис добавляется к показателям температуры запуска насоса в работу, а при остывании теплоносителя гистерезис отнимается.
Получается, что если хозяин задает показатель температуры в +50 С, гистерезис в +5 С, то вода должна сначала прогреться до отметки в +55 С, чтобы блок управления циркуляционным насосом отопления запустил прибор в работу. А для выключения оборудования теплоноситель должен остыть до +45 С.
Прибор, дополненный гистерезисом, считается удобным в работе. Получается, что оборудование не будет постоянно включаться и выключаться для поддержания точности прогрева до одного градуса. Выбирая термостат, лучше отдать предпочтение минимальному показателю гистерезиса в прошивке +/- 1 градус, а максимальному +/- 10 градусов.
Бесперебойный блок питания
Управление циркуляционным насосом без подачи электропитания невозможно, поэтому обеспечение поступления постоянного тока – основная задача хозяина. Самый простой способ – установить блок бесперебойного питания (ИБП) или озаботиться генератором.
Рекомендуем к прочтению:Автоматика для управления работой насоса
Многие хозяева стараются обойтись без дополнительного оборудования, формируя теплосистему с возможностью самотечной циркуляции теплоносителя. Это хороший выход, но при малейшем нарушении технологии выкладки трубопровода, система встанет. К тому же при оборудовании тепломагистрали в 2-х и более этажном доме самотечная схема может дать сбой, поэтому без насоса тут не обойтись.
При установке блока питания можно не беспокоиться за работу системы – оборудование оснащается автоматическим управлением, аккумулятором для теплового насоса. Комплекс поддержки обеспечит работу как самого насоса, так и других энергозависимых компонентов системы.
Важно лишь подобрать ИБП с нужным объемом аккумулятора, для чего следует читать информацию в техпаспорте. Как правило, производители указывают объем накопителя и возможную продолжительность работы приборов. Для выяснения точной информации следует брать в расчет мощность насоса для теплосистемы
Для выяснения точной информации следует брать в расчет мощность насоса для теплосистемы.
Реле включения и выключения
Устанавливается реле включения насоса отопления для поддержания работы прибора в автоматическом режиме. Принцип простой – при снижении уровня давления в тепломагистрали реле запустит прибор в работу, а при повышении показателя давления – отключит. Получается, что как только потребитель перестает разбирать воду, то уровень давления в системе поднимается до верхнего предела и таймер для насоса отопления отключает агрегат. Как только разбор воды запускается, давление в магистрали снижается до нижнего предельного уровня, насос снова включается в работу.
Как правило, производители оборудования, на котором не установлена автоматика, дают рекомендации по выбору комплектующих, но есть вариант купить тепловой насос с наличием всех дополнительных приборов. Для облегчения регулировки поступления теплоносителя в батареи, специалисты рекомендуют установить терморегуляторы на все радиаторы. Кроме поддержания комфортной температуры в доме, своевременная регулировка поможет снизить расходы на энергоносители.
</index>
Открытая логика
Есть и свободно программируемые типы приборов с открытой логикой. Они тоже часто встречаются в насосных изделиях циркуляционного типа. Такие устройства можно легко настроить под любые условия окружающего пространства и температурные режимы.

Но управлять ими довольно сложно, требуется специальная квалификация. Потому они и не получили широкого распространения, в приборах циркуляционного вида закрытая логика встречается чаще всего.
Не стоит экономить на приобретении терморегулятора для отопительной системы, ведь это изделие в разы повышает продуктивность и эффективность.
Автоматический блок управления для циркуляционного насоса
Управление циркуляционным насосом организовано посредством терморегулятора, реле, блока бесперебойного питания. Комплекс нужен для регулировки нагрева теплоносителя, поддержания работы оборудования.
Термостаты

Агрегаты сочетают функции термоэлемента и вентиля, нужны для корректировки температуры нагрева воды.
Термостат для циркуляционного насоса отопления работает так:
- Считывает информацию с датчика температуры. Сравнивает показатели с настройками. Для выставления режима настроек предназначено побочное меню с различием температуры запуска насоса и гистерезиса. Гистерезис – временной интервал запаздывания температуры при включении и отключении нагревателя.
- При запуске оборудования гистерезис автоматически прибавляется к показателю нагрева воды при включении нагнетателя. При выключении насоса гистерезис вычитается из общего показателя.
По умолчанию размер гистерезиса принимают в 1/10 от температуры нагрева теплоносителя. Таким образом, при режиме прогрева воды в +50 С гистерезис составляет всего 5 градусов. Чтобы блок автоматического управления начал работать, вода должна прогреться до +55 С. Для выключения блока должна охладиться до показателя +45 С. Агрегаты с гистерезисом более удобны в работе. Оборудование поддерживает разбег температуры в 5 градусов, потому защищено от постоянного включения/выключения.
Термостат следует выбирать с гистерезисом прошивки минимум +/- 1 градус, максимум +/- 10 градусов. Ставят термостат рядом с котлом. При условии настройки с учетом внешней температуры в комнате, регулировка котла должна быть с возможностью изменения показателя носителя.
Блок бесперебойного питания
Блок управления циркуляционным насосом отопления – энергозависимое оборудование, без электричества работать не будет. Исключить возможность простоя позволит ИБП (бесперебойник) или генератор. Допустимо обойтись без прибора обеспечения питания, пуская сеть в самотечном режиме. Но тут есть риск ошибки выкладки трубопроводов, что приведет к выходу сети из строя.

Контуры самотечной сети отопления по технике выкладки идут с наклоном в сторону трубы обратной циркуляции. Наклон рекомендуют поддерживать в пределах до 3 см на каждый метр трубопровода. Это требует точных расчетов схемы и увеличивает зону выкладки сети.
Магистраль обратной циркуляции монтируют с уклоном в сторону нагревателя, также с учетом наклона. Если уровень снижения мал, есть риск застоя теплоносителя, образования воздушной пробки. К тому же нагреватель следует устанавливать в самой нижней точке схемы, что при отсутствии подвала вызывает сложности.
Избежать всех проблем поможет циркуляционный насос, чтобы обеспечить его питанием, в сеть встраивают ИБП или генератор. Выбор зависит от пользователя, однако генератор при работе сильно шумит, бесперебойник функционирует максимально тихо.
Реле включения и выключения
Это модуль для запуска оборудования в работу и отключения агрегата. Реле включения насоса отопления – важный узел, отвечающий за поддержание работоспособности всего блока.
Задача агрегата проста:
- снижение уровня давления в сети – сигнал для запуска устройства в работу, реле включает оборудование;
- превышение установленной нормы давления – сигнал для остановки оборудования.

Таким образом, при прекращении разбора теплоносителя, повышении давления в сети, таймер для насоса отопления срабатывает на отключение. Возобновление разбора горячей воды приводит к снижению показателя давления, запускает устройство в работу. Устанавливать или нет терморегулятор, ИБП, дело хозяина.
Качественный насос циркуляционный с датчиком температуры обладает рядом преимуществ:
- снижает расход топлива;
- обеспечивает поддержание комфортной температуры в помещениях;
- дает возможность быстрой коррекции режима работы.
Специалисты рекомендуют выбирать устройства в соответствии с указаниями производителей. Изготовители оборудования без автоматического блока управления прописывают в техническом паспорте параметры блока, подходящего для монтажа на устройствах.
Чтобы упростить регулировку поступления воды в батарее, рекомендовано оснастить терморегуляторами все батареи в доме. При их выборе надо учитывать градации настройки – чем меньше деления, тем точнее режим. Практичнее брать устройства с градацией шкалы до 5 градусов.
голоса
Рейтинг статьи
Монтаж и налаживание
Монтаж схемы, за исключением реле и переменных резисторов, выполнен на печатной плате, показанной на рис.2. Реле К1 — РЭС-22 с обмоткой на 12V.
![]()
Рис. 2. Печатная плата схемы управления насосом для системы отопления.
Все его четыре контактные группы включены параллельно
Можно применить и современное реле, при этом важно чтобы его обмотка была на 12V, а контакты на 220V и ток, достаточный для включения насоса (обычно циркуляционный насос небольшой мощности, 35-65W, так что, тока контактов в 1А вполне достаточно). Налаживание сводится к разметке вокруг ручек переменных резисторов
Мазимов Д. Д. РК-12-16.
Принцип работы электронного термостата
У электронного термостата внутри вместо биметаллической пластины находится электронная схема.
Для этой электронной схемы необходимо подвести напряжение питания. Оно может быть равно 220 или 24 вольта и подводится по проводу.
Здесь управляющим сигналом является потенциал (напряжение), которое подводится на клеммную коробку котла или специального хаба.
Чтоб было понятней смотрите ниже на картинку:

Из картинки видно, что к электронному термостату идет не 2, а 3 провода:
- L — напряжение питания.
- N — провод нейтрали.
- I — выходной сигнал.
Неподключенный порт используется для включения «ночного» режима работы, при котором температура в помещении снижается на 4 градуса без регулировки термостатов.
Электронные термостаты используются для организации сложных систем управления климатом в доме, такие системы в народе называют «Умный дом«.
С их помощью можно управлять насосами и сервоприводами клапанов в системах отопления. Как это выглядит можно увидеть на рисунке выше.
DS18S20
Обновление 15 сентября 2015. Добавлена прошивка для двухскоростного насоса
Обновление 10 сентября 2015. Добавлена прошивка для микроконтроллера pic16F628A
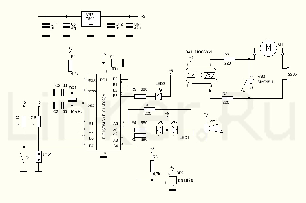
Устройство изначально собрано на микроконтроллере на pic16f84a (pic16f628a) . Датчик DS1820 (DS18S20) измеряет температуру трубы на выходе котла. В зависимости от температуры микроконтроллер включает или выключает циркуляционный насос. Основная его задача – включать циркуляционный насос когда труба горячая и выключать его, когда труба остывшая.
![]()
Для ускорения прогрева системы отопления при запуске котла, пока труба холодная, нажатием на кнопку можно перевести контроллер на пол часа в ручной режим. При этом насос включается при холодной трубе. Если в течение получаса труба не разогреется, контроллер переходит в штатный режим, отключая насос.
При выходе температуры за заданные границы (меньше +6 и больше +68 градусов) контроллер подаёт звуковой сигнал и зажигает красный светодиод. При обрыве датчика так-же подается звуковой сигнал и горит красный светодиод.
Упрощенно и схематически это можно изобразить так:
Подробнее об индикации: LED1:
(температура)
- не горит – температура между 7 и 39
- зеленый – температура между 39 и 69
- желтый – температура >69 или 6°C)
- 44H (68 => 34°C)
- 88H (136 => 68°C)
Если нужно установить другие пороги температуры, то надо изменить эти значения. Например, необходимо установить пороги 12, 45 и 75°C.
- 12 => 12*2=24 => 18H
- 45 => 45*2=90 => 5AH
- 75 => 75*2=150 => 96H
Таким образом, в ячейки EEPROM перед прошивкой надо внести новые значения 18H, 5AH и 96H.

Update:
В v2.2 добавлена возможность выбирать тип датчика температуру DS1820 или DS18B20 установкой перемычки Jmp1.

В окончательно собранном виде. Корпус обошелся в полцарства.
Печатная плата
Принципиальная схема включения двухскоростного насоса. Ничего принципиально в принципиальной схеме не изменилось. Добавлен второй узел (обведён пунктиром) для подключения вывода повышенной скорости насоса. По логике работы контроллера в режиме скоренного разогрева включается второй симисторный узел. В нормальном режиме второй узел отключен и включен первый.
Этой схеме соответствует прошивка версии 2.2.2
.
Прошивка v2.2.2 не проверялась на реальном устройстве

Прошивка
Версия 2.2.2 для двухскоростного насоса
Конфигурация фюзов для pic16f628a 0x3FE9
В версии 2.2.1 исправлена ошибка выбора датчика температуры. Прошивка доступна для двух микроконтроллеров:
Конфигурация фюзов для pic16f628a 0x3FE9
В версии 2.2 добавлена возможность выбора датчика температуры DS1820 или DS18B20. Выбор DS18B20 осуществляется установкой перемычки Jmp1. Прошивка не проверена в железе. Отпишитесь, кто проверит.
В версии 2.1 добавлена возможность устанавливать свои значения температуры при прошивке.
В версии 2.0 исправлен небольшой баг, проявлявшийся только при обрыве датчика температуры.
Разновидности домашних датчиков температуры для котла отопления
Терморегуляторы для котла отопления (регуляторы температуры) бывают нескольких разновидностей:
Проводной. Залогом корректной работы является правильный монтаж проводников. Это необходимо для бесперебойной связи оборудования с котлом.
Механическая модель
Беспроводной. С помощью радиосигнала подается информация об изменении температурного режима в квартире. Устройство состоит из двух блоков, один из которых монтируется в комнате, другой на сам котел. На блоке контроллере есть жидкокристаллический дисплей и клавиатура.
Дистанционная разновидность датчика
Разберем каждый вариант более подробно, с примерной стоимостью и обзором нескольких моделей.
Механический (проводной) терморегулятор
В терморегуляторе для котла отопления механическом есть свои особенности, цена на модели различна также как и характеристики. Такое устройство необходимо предварительно настраивать, чтобы добиться оптимальной температуры помещения. Это сложный процесс, потому лучше обратиться к специалисту.
Небольшая механическая модель
В комплектацию любой модели входит две части: термическая головка и клапан. На работу прибора оказывают влияние:
- частое проветривание;
- яркие солнечные лучи, которые поступают через окна;
- резкая смена погоды.
Монтаж необходимо производить только в горизонтальном положении, при этом выбрать надо такое место, где нет предметов, загораживающих устройство, и прямых солнечных лучей. Современные модели предусматривают небольшие габариты, которые можно установить в маленькой нише.
Вариант установки недалеко от газового оборудования
Сама установка не займет много времени. Если отключаете отопление, то следом необходимо повернуть ручку терморегулятора. Это защитит прибор от образования осадка.
Вот пример двух популярных моделей механического термостата:
| Название модели | Технические характеристики | Цена в руб. | |
| BALLU BMT-2 | Mощность | 2 200 Вт | 840 |
| Управление | Механическое | ||
| Температурный режим | +5 до +30 ⁰С | ||
| Тип монтажа | Открытая установка |
| Название модели | Технические характеристики | Цена в руб. | |
| ELECTROLUX Thermotronic Basic ETB-16 | Mощность | 4 Вт | 2500 |
| Управление | Механическое | ||
| Температурный режим | +5 до +40 ⁰С | ||
| Тип монтажа | Cкрытая установка |
Механические комнатные терморегуляторы для газового котла пользуются популярностью, имеют невысокую стоимость и можно проводить самостоятельный монтаж.
Дистанционные варианты оборудования
Терморегулятор для котла отопления (регулятор температуры) может работать дистанционно.
Комфортное поддержание температуры во всем помещении
Выделяют несколько видов такого прибора:
- простые;
- программные комнатные.
Первый вариант создан для поддержания заданной температуры в помещении. А при монтаже второго варианта владелец помещения получает следующие преимущества:
- удаленное управление;
- можно выставить режим в зависимости от времени суток;
- быстрота смены режима;
- можно запланировать изменения на неделю;
- быстрое реагирование котла на изменения;
- малый расход топлива;
- используется аккумулятор.
Дистанционные программные датчики температуры (комнатные) для газовых котлов созданы для людей, которые любят максимальный уровень комфорта и новую технику. Вот несколько популярных вариантов такого устройства:
| Название модели | Технические характеристики | Цена в руб. | |
| Bosch TRZ 12-2 | Тип устройства | Электронное | 9800 |
| Тип монтажа | Накладной | ||
| Температурный режим | +5 до +39 ⁰С | ||
| Размеры блока | 91*113*33 мм | ||
| Таймер | Недельный |
| Название модели | Технические характеристики | Цена в руб. | |
| Siemens REV13 | Тип устройства | Программное | 6900 |
| Тип монтажа | Накладной | ||
| Температурный режим | +3 до +35 ⁰С | ||
| Размеры блока | 130*94*30 мм | ||
| Таймер | есть |
Программные термодатчики для котла отопления бывают различными по стоимости и функциям. При этом все модели прекрасно справляются с контролем температуры в помещении, а удобство регулировки позволяет прибавить тепло в доме, не вставая с кровати.
Механические модели
Клапан и термическая головка – главные элементы, без которых невозможно представить практически ни один терморегулятор. При этом последняя выполняет функцию чувствительного элемента. Этим деталям не нужна энергия извне для того, чтобы правильно работать.
В свою очередь, несколько составных частей есть и у термической головки. Это регулятор и привод, жидкостный элемент, иногда встречаются упругие или газовые детали как альтернатива ему.
Внутреннее устройство
Выбирая регулятор температуры, необходимо учитывать все факторы, которые в будущем могут сказаться на работе устройства. Главные его части следующие:
- шкала с настройкой;
- фиксирующее заданную температуру, кольцо;
- механизм компенсационного действия;
- накидная гайка;
- шток;
- золотник;
- разъемное соединение;
- чувствительный элемент;
- термостатический элемент;
- термостатический клапан.
Схема и принцип работы циркуляционного насоса отопления
Принудительная циркуляция теплоносителя ускоряет поток жидкости в схеме, тем самым снижая тепловые потери и экономя расход топлива. Благодаря постоянной скорости потока, нагрев батарей происходит равномерно. Если нет завоздушенных участков в контуре, то самая последняя батарея, так же горяча, как и первая. Агрегат подает горячую воду к верхним этажам с постоянным напором.
Составляющие циркуляционного насоса:
- Прочный корпус, устойчивый к механическим воздействиям.
- Крыльчатка для обеспечения перекачки теплоносителя в системе.
- Электродвигатель для запуска контура в работу.
- Камера, обеспечивающая подачу и напор через патрубки, подключенные к магистрали.
- Коробка с клеммами для подсоединения автоматики управления циркуляционными насосами.
- Теплоноситель через впускной патрубок поступает в рабочую камеру.
- Запускается электродвигатель, включающий действие крыльчатки. Она захватывает струю, усиливая давление в схеме.
- Усиленный поток устремляется к патрубку, соединенному с магистралью и передает теплоноситель в трубу.

Никаких трудностей с функционированием системы не возникает. Необходимо только правильно подобрать агрегат, и комплект датчиков, призванных контролировать бесперебойное и безопасное функционирование контура.
Контроллер для циркуляционного насоса котла KG CS-07
Контроллер KG CS- 07 предназначен для управления насосом, обеспечивающим циркуляцию воды в системе центрального отопления. Заданием регулятора является включение насоса, если температура превысит заданное Вами значение, а также выключение его, если котел охладится (в результате погашения). Это позволяет избежать ненужной работы насоса, что позволяет сэкономить электроэнергию (в зависимости от степени использования котла экономия может быть даже 60%), а также продлить срок службы насоса. Благодаря этому увеличивается надёжность насоса и снижаются затраты связанные с его эксплуатацией. Терморегулятор оснащен системой анти -стоп . Еще одна полезная функция – звуковой сигнал , который указывает, что температура слишком высокая . Сигнал начинается , когда температура в точке где установлен датчик превысить ( 90 ° C ).
Терморегулятор также оснащен системой антизамерзания и включает насос, когда температура опускается ниже 5 градусов С. Ниже этой температуры, насос работает все время.
Питание: 230/50Гц + / -10% Потребляемая мощность: 2 Вт Температура окружающей среды : от -10 до 50 ° C Нагрузка на выходе насоса : 6 Диапазон измерения температуры : от 0 до 99 ° C Регулируемый диапазон температур : от 5 до 80 ° C Сила температуры датчика : от -10 до 120 ° С
Длина кабеля датчика : 1,2 м
Терморегулятор CS- 07C
Терморегулятор CS-07C может быть использован как термостат или контроллер насоса напольного отопления. Устройством можно регулировать температуру включения и отключения насоса. Насос включается в случае превышения температуры установленной пользователем (O) и будет выключаться после достижения установленной пользователем температуры (U). CS-07C оснащен функциями анти-стоп, который предотвращает залипание насоса вне отопительного сезон каждые 14 дней в течение примерно 15 секунд. Еще одна полезная функция контроллера является звуковой сигнал, который сигнализирует о слишком высокой температуре. Сигнал появляется, когда температура в месте, где установлен датчик превышает (90 град. C). Контроллер также оснащен защитой от замерзания и запускает насос, если температура падает ниже 5 ° С ниже этой температуры насос работает все время. Питание: 230/50Гц + / -10% Потребляемая мощность: 2 Вт Температура окружающей среды : от -10 до 50 ° C Диапазон измерения температуры : от 0 до 99 ° C Регулируемый диапазон температур : от 10 до 75 ° C
Сила температуры датчика : от -10 до 120 °
Инструкция на контроллер насоса котла можно скачать ниже в разделе спецификация
Вентилятор для котла:
Для управления котлом в автоматическом режиме, по заданным параметрам температуры, времени и прочему, к вентилятору необходимо подключить блок управления, контроллер. Этот прибор, со встроенным микропроцессором, по заданным програмам в базе или же на основе пользовательских установок, будет управлять работой вентилятора наддува или дымососом. Все контроллеры для вентиляторов или дымососов, снабжены несколькими заводскими программами управления работой вентилятора. В некоторых их них, есть расширенный функционал. Можно не только задать время включения и выключения вентилятора по температуре теплоносителя, но и задать обороты вентилятора (мощность наддува) на каждом из стадий работы отопительного котла. Самые популярные модели контроллеров: АТОС, Комфорт Эко, KG Elektronik CS-19. Цена на контроллеры для котла зависит от количества в заказе.
Например, цена блока управления-
Куда ставить
Устанавливать циркуляционный насос рекомендуют после котла, до первого ответвления, а вот на подающем или обратном трубопроводе — все равно. Современные агрегаты делают из материалов, которые нормально переносят температуры до 100-115°C. Мало найдется систем отопления, которые работают с более горячим теплоносителем, потому соображения более «комфортной» температуры несостоятельны, но если вам так спокойнее, ставьте в обратке.
Можно ставить в обратном или прямом трубопроводе после/перед котлом до первого ответвления
Нет разницы и по гидравлике — котлу, да и остальной системе, абсолютно все равно, в подающей или обратной ветке стоит насос. Что имеет значение — это правильность установки, в смысле обвязки, и правильная ориентация ротора в пространстве
Остальное неважно
По месту установки есть один важный момент. Если в системе отопления две отдельные ветки — на правое и левое крыло дома или на первый и второй этаж — имеет смысл на каждой поставить отдельный агрегат, а не один общий — непосредственно после котла. Причем на этих ветках сохраняется то же правило: сразу после котла, до первого разветвления в этом отопительном контуре. Это даст возможность задавать требуемый тепловой режим в каждой из частей дома независимо от другого а также в двухэтажных домах экономить на отоплении. Как? За счет того, что на втором этаже обычно значительно теплее, чем на первом и там требуется намного меньше тепла. При наличии двух насосов в ветке, которая идет наверх, скорость движения теплоносителя задается намного меньше, а это позволяет сжигать меньше топлива, причем без ущерба для комфортности проживания.
Есть два типа систем отопления — с принудительной и естественной циркуляцией. Системы с принудительной циркуляцией работать без насоса не могут, с естественной — работают, но в таком режиме имеют более низкую теплоотдачу. Тем не менее, меньшее количество тепла, это все-таки намного лучше, чем его полное отсутствие, потому в местностях, где электричество отключают часто, проектируют систему как гидравлическую (с естественной циркуляцией), а затем в нее врезают насос. Это дает высокую эффективность и надежность отопления. Понятное дело, что установка циркуляционного насоса в этих системах имеет отличия.
Все системы отопления с теплым полом принудительные — без насоса через такие большие контура теплоноситель не пройдет
Принудительная циркуляция
Так как система отопления с принудительной циркуляцией без насоса неработоспособна, его устанавливают прямо в разрыв подающей или обратной трубы (по вашему выбору).
Большинство проблем с циркуляционным насосом возникают из-за наличия в теплоносителе механических примесей (песка, других абразивных частиц). Они способны заклинить крыльчатку и остановить мотор. Потому перед агрегатом обязательно ставят сетчатый фильтр-грязевик.
Установка циркуляционного насоса в систему с принудительной циркуляцией
Также желательно с двух сторон установка шаровых кранов. Они дадут возможность заменить или отремонтировать устройство без слива теплоносителя из системы. Перекрываете краны, снимаете агрегат. Сливается только та часть воды, которая была непосредственно в этом куске системы.
Естественная циркуляция
Обвязка циркуляционного насоса в гравитационных системах имеет одно существенное отличие — необходим байпас. Это перемычка, которая делает систему работоспособной при неработающем насосе. На байпасе ставят один шаровый отсечной кран, который закрыт, все время, пока работает перекачка. В таком режиме система работает как принудительная.
Схема установки циркуляционного насоса в системе с естественной циркуляцией
Когда пропадает электричество или агрегат выходит из строя, кран на перемычке открывают, кран, ведущий на насос, перекрывают, система работает как гравитационная.
Особенности монтажа
Есть один важный момент, без которого установка циркуляционного насоса будет требовать переделки: требуется разворачивать ротор так, чтобы он был направлен горизонтально. Второй момент — направление потока. На корпусе есть стрелка, указывающая в какую сторону должен течь теплоноситель. Вот так и разворачивайте агрегат, чтобы направление движения теплоносителя было «по стрелке».
Сам насос может быть установлен как горизонтально, так и вертикально, только при подборе модели смотрите, чтобы он мог работать в обоих положениях. И еще один момент: при вертикальном расположении мощность (создаваемый напор) падает примерно на 30%. Это надо учитывать при выборе модели.
Принцип работы термостата
Термостат – это полностью автоматический прибор, позволяющий свести к минимуму вмешательство человека в работу отопительной системы. На таких автоматических программаторах выставляется определенное значение температуры, которое должно поддерживаться в помещении. При отклонениях от заданного значения термостат дает котлу соответствующие команды.
Котел, получив команду на запуск, начинает работать и прогревать теплоноситель, в результате чего помещение нагревается. Как только температура достигает верхнего установленного значения, газовый котел отключается – и такой цикл повторяется все время. Особенностью этого рабочего цикла при подключенном термостате является тот факт, что вместе с котлом отключается и циркуляционный насос – а это в конечном итоге положительно отражается на стоимости отопления.
В отличие от ручной настройки котла, программатор оценивает не температуру теплоносителя, а температуру в помещении. Эта особенность позволяет на порядок снизить количество включений котла для очередного подогрева – даже если батареи полностью остыли, но температура воздуха все еще достаточно высока, отопительное оборудование будет находиться в режиме ожидания.
Регулярность включения котла в наибольшей степени снижается из-за следующих факторов:
- Обогрев помещения солнечными лучами;
- Повышение температуры воздуха на улице и, как следствие, снижение разницы температур;
- Увеличение количества людей в помещении;
- Получение тепла через ограждающие конструкции.
Открытая логика
Есть и свободно программируемые типы приборов с открытой логикой. Они тоже часто встречаются в насосных изделиях циркуляционного типа. Такие устройства можно легко настроить под любые условия окружающего пространства и температурные режимы.
Но управлять ими довольно сложно, требуется специальная квалификация. Потому они и не получили широкого распространения, в приборах циркуляционного вида закрытая логика встречается чаще всего.
Не стоит экономить на приобретении терморегулятора для отопительной системы, ведь это изделие в разы повышает продуктивность и эффективность.





























