Описание оборудования
Шахтные котлы длительного горения — это эффективная техника, которая характеризуется максимально возможной продолжительностью горения топлива и уникальными особенностями конструкции. Наличие топливной камеры с увеличенными размерами избавляет от необходимости частой загрузки, а благодаря специальной конструкции поддувала обеспечивается медленное горение с выделением большого количества тепла.
Наибольшее распространение сегодня получили две конструкции шахтных котлов:
- Пиролизные.
 - С обычным горением.
 
Обе этих схемы исполнения имеют две камеры, в одной из которых устроен теплообменник, а вторая используется для сжигания топлива. Котел шахтного типа с нижним горением отличается простотой конструкции и имеет топку высотой на весь агрегат, что позволяет существенно упростить загрузку. Топочное отделение напоминает по своему виду шахту, что послужило названием для отопительного оборудования данного типа.
В данном видео рассмотрим шахтный котел:
Камера теплообменника выполняется по классической жаротрубной технологии. Внутри этого отсека проложены многочисленные трубы, по которым циркулирует теплообменник, нагреваемый горячим воздухом, поступающим из топливника. Дымоход может выполняться как в виде вертикальной трубы, так и коаксиального типа, который выводится через ближайшую стену на улицу.
Шахтные котлы длительного нижнего горения на дровах получили видоизменённую конструкцию, что позволило обеспечить максимально длительное горение. Такой котёл дополнен следующими элементами:
- В дополнительных камерах, которые располагаются под теплообменником, происходит сжигание угарного газа, что позволяет обеспечить улучшение показателей КПД котла.
 - В пиролизную камеру проведены трубы с многочисленными мелкими отверстиями, что позволяет подавать воздух, необходимый для сгорания угарного газа.
 - Непосредственно над пиролизной камерой располагается задвижка, которая позволяет уменьшать и увеличивать интенсивность горения топлива.
 
Как подключить твердотопливный котел
Каноническая схема подключения твердотопливного котла содержит два главных элемента, позволяющих ей надежно функционировать в системе отопления частного дома. Это группа безопасности и смесительный узел на основе трехходового клапана с термоголовкой и датчиком температуры, показанные на рисунке:
Примечание. Здесь условно не показан расширительный бак, поскольку он может располагаться в разных местах в различных отопительных системах.
Представленная схема показывает, как подключить агрегат правильно и должна всегда сопровождать любой котел на твердом топливе, желательно даже пеллетный. Вы можете где угодно найти различные общие схемы отопления – с теплоаккумулятором, бойлером косвенного нагрева или гидрострелкой, на которых данный узел не показан, но он там должен быть обязательно. Подробнее об этом рассказано на видео:
Задача группы безопасности, устанавливаемой прямо на выходе подающего патрубка твердотопливного котла, — сбрасывать в автоматическом режиме давление в сети при его росте сверх установленного значения (обычно – 3 Бар). Этим занимается предохранительный клапан, а кроме него элемент оснащен автоматическим воздухоотводчиком и манометром. Первый выпускает появляющийся в теплоносителе воздух, второй служит для контроля над давлением.
Внимание! На отрезке трубопровода между группой безопасности и котлом не допускается установка любой запорной арматуры
Как работает схема
Смесительный узел, предохраняющий теплогенератор от конденсата и температурных перепадов, работает по такому алгоритму, начиная от растопки:
- Дрова только разгораются, насос включен, клапан со стороны системы отопления закрыт. Теплоноситель циркулирует по малому кругу через байпас.
 - При повышении температуры в обратном трубопроводе до 50—55 °С, где стоит накладной датчик выносного типа, термоголовка по его команде начинает нажимать на шток трехходового клапана.
 - Клапан потихоньку открывается и холодная вода понемногу поступает в котел, смешиваясь с горячей из байпаса.
 - По мере того как прогреваются все радиаторы растет общая температура и тогда клапан перекрывает байпас полностью, пропуская весь теплоноситель через теплообменник агрегата.
 
Данная схема обвязки – самая простая и надежная, ее монтаж можно спокойно выполнить своими руками и таким образом обеспечить безопасную работу твердотопливного котла. Касательно этого есть парочка рекомендаций, особенно при обвязке дровяного отопителя в частном доме полипропиленом или другими полимерными трубами:
- Участок трубы от котла до группы безопасности сделайте из металла, а дальше прокладывайте пластик.
 - Толстостенный полипропилен плохо проводит тепло, из-за чего накладной датчик станет откровенно врать, а трехходовой кран – запаздывать. Для корректной работы узла участок между насосом и теплогенератором, где стоит медная колба, тоже должен быть металлическим.
 
Другой момент – место установки циркуляционного насоса. Лучше всего ему стоять там, где он изображен на схеме – на обратке перед дровяным котлом. Вообще, ставить насос можно и на подаче, но вспомните, о чем говорилось выше: при аварийной ситуации в подающем патрубке может появиться пар. Насос не может перекачивать газы, поэтому при попадании в него пара циркуляция теплоносителя остановится. Это ускорит возможный взрыв котла, ведь он не будет охлаждаться протекающей из обратки водой.
Способ удешевления обвязки
Схему защиты от конденсата можно удешевить, если поставить трехходовой смесительный клапан упрощенной конструкции, не требующий подключения накладного температурного датчика и термоголовки. В нем уже вмонтирован термостатический элемент, настроенный на фиксированную температуру смеси 55 либо 60 °С, как это изображено на рисунке:
Специальный 3-ходовой клапан для твердотопливных отопительных агрегатов HERZ-Teplomix
Примечание. Подобные клапаны, поддерживающие фиксированную температуру смешанной воды на выходе и предназначенные для установки в первичный контур твердотопливного котла, выпускают многие известные бренды — Herz Armaturen, Danfoss, Regulus и другие.
Установка такого элемента однозначно позволяет сэкономить на обвязке ТТ-котла. Но при этом теряется возможность изменения температуры теплоносителя с помощью термоголовки, а ее отклонение на выходе может достигнуть на 1—2 °С. В большинстве случаев эти недостатки несущественны.
Пиролизный котел своими руками
Нынешний рынок отопительных приборов поражает своим разнообразием, но, по мнению многих специалистов, самыми эффективными и практичными являются газогенераторные твердотопливные котлы. Они имеют достаточно высокий КПД, в некоторых моделях до 90% и даже выше. Принцип работы твердотопливного газогенераторного котла заключается в использовании «медленного» горения в условиях недостатка кислорода. В результате образуется большое количество горючих газов, которые потом сжигаются во второй камере. В качестве горючего можно использовать дрова, торфяные брикеты, солому, каменный уголь, пеллеты, опилки, а также бытовой мусор.
Пиролизные отопительные котлы пользуются довольно неплохим спросом, однако, стоимость их доступна далеко не каждому. В зависимости от типа конструкции, мощности агрегата и фирмы производителя предложения стартуют от 500€. Поэтому многие народные умельцы пробуют изготовить такой котел самостоятельно.

Пиролизные котлы с верхней и нижней камерой горения пиролизных газов
Несмотря на то, что конструкция пиролизного котла достаточно сложна, сделать это вполне по силам каждому, кто умеет обращаться со сварочным аппаратом и разбирается в чертежах. Прежде чем начинать изготовление стоит уяснить, что все они делятся на агрегаты с верхней или нижней камерой сжигания синтез-газов. Это зависит от способа подачи этих самых газов в камеру вторичного сгорания: когда они, повинуясь законам физики, поднимаются кверху самостоятельно, то это котел с верхней камерой дожига, а если продукты сгорания при помощи принудительного наддува опускаются в нижнюю топку и сгорают там — это конструкция с нижней камерой.
Стоит понимать, что котлы с нижней камерой догорания имеют не только более сложную конструкцию, но и потребуют дополнительных расходов на приобретение вентилятора, обеспечивающего требуемое направление движения газов. Потому быстрее и дешевле сделать котел с верхней пиролизной камерой.
Принцип работы пиролизных котлов и их особенности
Создавая пиролизные котлы своими руками, люди стремятся сэкономить денежные средства в своем кошельке. Если газовое оборудование стоит довольно дешево, то твердотопливные агрегаты просто поражают своей ценой. Более-менее приличная модель мощностью 10 кВт обойдется в 50-60 тысяч рублей – дешевле провести газ, если рядом проходила бы газовая магистрально. Но если ее нет, то выходов два – приобретать заводское оборудование или делать его самостоятельно.
Изготовить пиролизный котел длительного горения своими руками можно, но сложно. Давайте для начала разберемся, для чего вообще нужен пиролиз. В обычных котлах и печах дрова сгорают традиционным способом – при высокой температуре, с выбросом продуктов сгорания в атмосферу. Температура в камере сгорания составляет порядка +800-1100 градусов, а в дымоходе – до +150-200 градусов. Таким образом, солидная часть тепла просто улетает наружу.
Прямое сгорание дров применяется во многих отопительных агрегатах:

Твердотопливные пиролизные котлы могут использовать несколько видов топлива, в том числе отходы деревообрабатывающего производства и сельскохозяйственной переработки.
- Твердотопливные котлы;
 - Печи-камины;
 - Камины с водяными контурами.
 
Главным преимуществом данной методики является то, что она отличается простотой – достаточно создать камеру сгорания и организовать отвод продуктов сгорания за пределы оборудования. Единственным регулятором здесь становится дверка поддувала – регулируя просвет, мы можем отрегулировать интенсивность горения, тем самым воздействуя на температуру.
В пиролизном котле, собранном своими руками или купленном в магазине, процесс сгорания топлива идет несколько по-другому. Дрова здесь сгорают при низкой температуре. Можно сказать, что это даже не горение, а медленное тление. Древесина при этом превращается в подобие кокса, одновременно выделяя горючие пиролизные газы. Эти газы отправляются в камеру дожигания, где сгорают с выделением большого количества тепла.
Если вам кажется, что данная реакция не даст особого эффекта, то вы глубоко заблуждаетесь – если заглянуть в камеру дожигания, то здесь будет видно ревущее пламя ярко-желтого, почти белого, цвета. Температура сгорания – чуть выше +1000 градусов, а тепла в этом процессе выделяется больше, чем при стандартном горении древесины.
Для того собранный своими руками пиролизный котел смог показать максимальную эффективность, необходимы дрова с низким содержанием влаги. Влажная древесина не даст оборудованию выйти на полную мощность.
Реакция пиролиза знакома нам еще со школьного курса физики. В учебнике (а может и в лабораторном кабинете) многие из нас видели интересную реакцию – древесина помещалась в стеклянную запечатанную колбу с трубкой, после чего колба нагревалась над горелкой. Через несколько минут древесина начинала темнеть, а из трубки начинали выходить продукты пиролиза – это горючие газы, которые можно было поджечь и понаблюдать за желто-оранжевым пламенем.
Аналогичным образом работает и пиролизный котел, собранный своими руками:

На одной загрузке топлива пиролизные котлы работают около 4-6 часов. Так что большим и стабильно пополняемым запасом дров стоит озаботиться заранее.
- В топке разжигаются дрова до появления устойчивого пламени;
 - После этого доступ кислорода перекрывается, пламя гаснет почти полностью;
 - Запускается дутьевой вентилятор – в камере дожигания появляется высокотемпературное пламя.
 
Устройство пиролизного котла довольно простое. Основными элементами здесь являются: камера сгорания, в которой складированы дрова, и камера дожигания, в которой сгорают продукты пиролиза. Передача тепла в отопительную систему осуществляется через теплообменник
В схеме пиролизного котла ему уделяется особое внимание
Все дело в том, что теплообменники в пиролизных котлах, собранных своими руками, устроены не так, как в газовом оборудовании. Продукты сгорания с воздухом проходят здесь через множество металлических труб, омываемых водой. Для увеличения эффективности котловая вода омывает не только сам теплообменник, но и все другие узлы – здесь создается своего рода водяная рубашка, которая отбирает излишки тепла от раскаленных элементов котельного агрегата.
Подключение твердотопливного котла к системе отопления
Основное правило: в работающий котёл не должна подаваться холодная вода, если в нём нет чугунного теплообменника. Иначе в топке будет неизбежно образовываться жидкий конденсат, который начнёт смешиваться с сажей. Получится липкая масса, которая будет снижать эффективность работы системы, и удалить которую будет чрезвычайно трудно.
В связи с этим применяется особая система обвязки с трёхходовым клапаном и байпасом. В клапане фиксируется температура около 50 градусов.
Еще для подключения котла потребуется:
- запорная аппаратура;
 - бачок расширительный;
 - насос.
 
После полной установки системы она заполняется водой, и в ней нагнетается давление в 1 Бар.
Важные моменты
На эффективность работы отопительного котла на твёрдом топливе всегда влияют два фактора:
Конструктивные особенности теплообменника
Чем большей будет площадь теплового контакта, тем больше энергии за единицу времени будет передано от сгорающего топлива тепловому агенту – воде.
Варианты исполнения самодельного теплообменника на фото
Горизонтальный теплообменник из профильных труб Горизонтальный теплообменник из листовой стали и профильной трубы Самодельный горизонтальный теплообменник Стальной вертикальный теплообменник для котла своими руками
Полнота и период сгорания топлива
Если топливо сгорает неэффективно – теряет пиролизный газ или не успевает нагреть теплоноситель до необходимой температуры, на лицо недоработки в конструкции. Поэтому к расчёту и процессу изготовления последней следует отнестись с максимальной ответственностью – после сборки изменить её будет невозможно.
Самодельный дровяной котёл: дверца топки
Конструкция котла должна быть надёжной и безопасной и ответственность за это несёт не что иное, как корпус. Он выполняется из толстой (не менее 5 мм) стали, желательно жаростойкой. Впрочем, последняя стоит заметно дороже обычной, поэтому следует запомнить, что чем толще металл, тем медленнее он будет нагреваться. А значит, для того, чтобы котёл средней мощности не обжигал руки и не делал из помещения котельной сауну, корпус котла должен иметь около 8 мм в толщину.
Твердотопливный котёл-печь со встроенным теплообменником
Для организации внутренней трубопроводной системы котла необходимо использовать трубы толщиной стенок 3-4 мм и диаметром 50 мм. Для обеспечения тока теплоносителя следует предусмотреть сужение (от 50 до 25 мм) трубопроводов в направлении от горячего к холодному, к примеру от котла к радиаторам) и расширять их на обратном пути теплоносителя.
Фундамент под чугунную конструкцию
Хотя и приведены доводы не в сторону чугуна, для большинства мастеров, особенно в домашних условиях, этот металл остаётся единственным вариантом. Своими руками установка такого котла, как описывалось выше, потребует от мастера создания фундамента. Соорудить его не составит особого труда, если ранее подобные работы проводились.
Фундамент имеет ещё одной свойство – он защищает напольное покрытие и саму конструкцию пола от влияния повышенной температуры. Отличным материалом станет жидкий кирпич или так называемый бут. Эти элементы не воспринимают температуру, а потому не скапливают тепло. Своими руками для создания дополнительного фундамента понадобится всего лишь монолитная плита из этих материалов.
Заменой этой конструкции становится ножки, которые привариваются к днищу котла. Дабы спрятать их от постороннего взора, рекомендуется их заложить кирпичом .
Таким нехитрым способом можно создать котёл своими руками. Единственным требованием к строителям является изучение чертежа и материалов. Внимательное изучение видео позволит получить ответы на важные вопросы, понять суть работы и её специфику, получить итоговый вариант идеального изделия для обогрева помещения на постоянной основе или же во время посещения дачи. Если правильно сделать котёл, то он будет много времени согревать не только тело. Но и душу. Ведь каждый мастер должен гордиться своим творением, каким бы оно ни было.
Как вам статья?
Мне нравитсяНе нравится
Процесс изготовления
- Сооружаем контролер поступления воздуха. Для этого к трубе привариваете большой болт. Далее вырезаете болгаркой круг по диаметру трубы, с краю делаете отверстие так, чтобы болт свободно входил и соединяете крышку и с болтом обычной гайкой. Этот круг в дальнейшем позволит контролировать количество поступающего воздуха и, соответственно, интенсивность горения.
 
- На этой же трубе болгаркой вырезаете небольшие горизонтальные просветы – через эти отверстия в топку будет поступать воздух.
 - Из металлического листа вырезаете болгаркой круг диаметром на 0,5-1 см меньше диаметра топки. На круге по центру делаете отверстие, куда вставляете трубу с заглушкой. Привариваете ее 200-300 мм от конца.
 
- Готовите корпус котла. Если в качестве основы используется газовый баллон, необходимо снять его верхнюю часть с краном, если цилиндрическая труба Ø 25 см, завариваете герметично ее днище.
 
- Изготовление дымохода. В верхней части цилиндра, отступив от края 10 см, вырезаете болгаркой круг Ø 100 мм и привариваете толстостенную трубу.
 
- Установка воздухоподающей трубы, для чего в дне топки под трубу вырезаете отверстие и вставляете трубу так, чтобы поддувало выходило за корпус котла. Обязательно располагайте ее ниже дымохода, чтобы обеспечить нормальную циркуляцию воздуха в системе.
 
- Изготовление теплорассеивающего экрана. Для этого из листа 10 мм вырезаете круг Ø 20-22 см. Чтобы удобно было пользоваться экраном, к нему можно приварить ручку, для чего подойдет арматура.
 
- Изготовление конвекционного кожуха. Из металлического листа делаете цилиндр диаметром на 5-7 см больше диаметра топки. Сваркой скрепляете основу печи и конвекционную камеру. Котел уже практически готов.
 
- Изготовление верхней крышки для котла. Если использовался газовый баллон, в качестве такой крышки будет выступать ранее отрезанная часть. Если котел делали из листа, из него же вырезаете круг аналогичного диаметра и для удобства эксплуатации привариваете к нему ручки из арматуры.
 
Принцип работы подобного котла длительного горения вы можете посмотреть здесь:
Видео 1 Принцип работы котла модели «Слобожанка»
Видео 2 Котел длительного горения
При изготовлении котла имейте в виду, что ответственность за безопасную работу котла несет в большей степени именно корпус. Для его изготовления необходимо использовать жаропрочную толстостенную сталь, толщиной не менее 5 мм. Чем толще будет сталь, тем медленнее будет нагреваться корпус и дольше сохранять тепло.
Как сделать своими руками
Принципиальное отличие пиролизного агрегата от традиционного заключается в наличии 2-х камер сгорания, где в первой сгорает топливо, а во второй – вырабатываемый горючий газ. Между этими камерами монтируется колосниковая решетка, через которую циркулирует воздух.
Принцип движения теплоносителя через такой котел продемонстрирован на рисунке
Фото 5 Циркуляция теплоносителя в системе твердотопливного котла
Для изготовления пиролизного котла понадобятся следующие материалы и инструменты:
- лист 4 мм;
 - трубы толщиной 2 мм;
 - сварочный аппарат и электроды;
 - плифовальные круги;
 - болгарка;
 - дрель;
 - полосы, арматура и уголки.
 
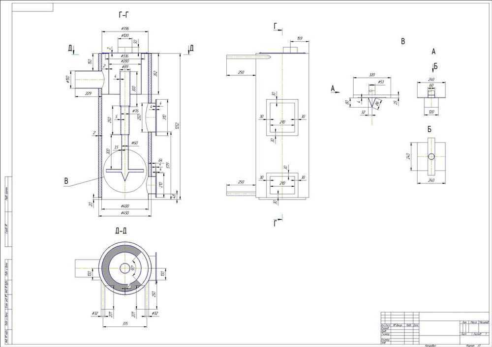
Чертеж
Фото 6 Чертеж-схема пиролизного котла
Как правильно и в какой последовательности собирать пиролизный котле, вы найдете в видео.
Видео 3 Изготовление и испытание твердотопливного котла 15-25 кВт
Твердотопливный котел длительного горения можно сделать своими руками. Для этого вам понадобятся чертежи, материалы, правильные расчеты и терпение. В итоге вы получите энергоэффективную и недорогую в обслуживании систему отопления, которая безотказно будет работать не одно десятилетие.
Определение с параметрами проекта
Точного определения данному понятию нет. Соответствующее оборудование появилось, как ответ на требования потребителей повысить уровень комфорта в процессе эксплуатации, увеличить выработку тепла в расчете на единицу использованных энергетических ресурсов.
Основным недостатком классических котлов является необходимость регулярного добавления топлива в топку. Сложности создают также следующие факторы:
- высокая интенсивность горения;
 - сложность оперативной регулировки и контроля этого процесса;
 - неполное использование тепла, которое удаляется вместе с дымом через систему вентиляции.
 

Для поддержания работы обычного котла лучше иметь рядом достаточный запас дров
Разные конструкции
Для решения отмеченных выше задач используют различные решения. Чтобы не закладывать часто новые порции топлива увеличивают размеры топки. Сделать процесс горения равномерным помогает размещение сверху прижимного устройства, дозированная подача воздуха.

  Схема типичного котла этого класса
Создать чертежи твердотопливных котлов длительного горения своими руками будет проще после подробного изучения стандартной конструкции:
- В начальном положении прижимное устройство (10) находится в верхнем положении.
 - Через дверцу (6) в топку загружают крупную партию дров.
 - После поджигания происходит регулируемый механическим приводом (16) процесс горения.
 - Свежий воздух подается нагнетателем через телескопическую полую внутри штангу. Он распределяется равномерно через прижимной диск (10).
 - Подача кислорода сверху обеспечивает постепенное сгорание топлива, слоями.
 - Золу после завершения цикла удаляют через нижнюю дверцу (13).
 - Для поднятия диска (10) в верхнее положение используют лебедку (2) с электроприводом.
 
Недостатком данной конструкции является невозможность произвольной закладки дров в топку. Существенное преимущество – повышенная до 24 часов и более длительность одного рабочего цикла.
В следующей конструкции топливо можно подкладывать по мере необходимости. Здесь использована технология пиролиза. Она характерна дозированной подачей кислорода и низкой интенсивностью горения. Тлеющие дрова выделяют горючий газ. Он сгорает в дополнительной камере.

Пиролизный котел
Эта установка полноценно использует топливо. В продуктах сгорания содержится минимальное количество сажи. Сложной является оптимальная регулировка рабочих процессов.
Газовые и дизельные агрегаты лишены упомянутых недостатков по причине простоты дозирования соответствующих видов топлива. Подобный результат можно получить, если использовать специальным образом спрессованные гранулы из отходов деревообработки, шелухи семечек, иного горючего сырья.

Пеллетный котел
В данном варианте гранулы (пеллеты) засыпают в бункер, откуда они подаются шнековым механизмом в топку. Понятно, что такая конструкция позволяет при необходимости быстро увеличивать и уменьшать подачу топлива. Гибкое изменение производительности котла пригодится для оптимизации работы при изменении внешней температуры, подключении дополнительных потребителей. С гранулами не слишком сложно работать при транспортировке, хранении.

Теплообменник для подогрева воды
Повышают эффективность котлов с помощью сложных структур выходных узлов. В таких конструкциях повышается температура теплоносителя. Аналогичные функции выполняют полые стенки корпуса.
Чертежи твердотопливных котлов длительного горения своими руками
Прежде чем искать соответствующую документацию, необходимо точнее определиться с конструкцией. Предпочтительной является первая схема твердотопливного котла длительного горения, своими руками ее будет создать проще.

Принципиальная схема котла
Для отопления сравнительно небольшого частного дома с общей площадью 150-250 м. кв. достаточно будет следующих размеров:

Чертежи твердотопливных котлов длительного горения своими руками
При высоте чуть более 1,5 метра и ширине около 40 см не сложно будет найти подходящее место для установки. Но надо учитывать необходимость создания технологических проходов для обслуживания. Понадобится свободное пространство сверху для монтажа лебедки и другого оборудования.

Конструкторскую документацию можно создать без соблюдения стандартов
Для реализации частных проектов не обязательно соблюдению ГОСТов. Но чем подробнее получился чертеж твердотопливного котла длительного горения своими руками, тем проще будет исключить ошибки на ранних стадиях.

При удалении большого количества ржавчины перед окраской может понадобиться респиратор
Сборка
После чего приступаем к сборке теплообменника. Вертикальные основания соединяются профильной трубой. Для этого её кладём на установленные перпендикулярно поверхности основания. Места соединения провариваем сваркой. Всю эту конструкцию с обратной стороны соединяем профильной трубой с отверстиями для отвода воды. В результате получаем переднюю стенку теплообменника.
Далее вертикальные основания устанавливаем перпендикулярно, и свариваем четырьмя трубами круглого сечения. Получается задняя стенка теплообменника. Переднюю и заднюю стенки соединяем между собой. Для этого надо подвести продольные трубы к отверстиям и проварить их, а затем к конструкции привариваем патрубки для подачи и вывода воды. Стыки завариваем с использованием кусочков металла и проверяем прочность теплогенератора.
Корпус
Изготовление корпуса тоже потребует усилий. Для этого из листов жаропрочной стали вырезаем восемь стенок – 2 передние, 2 задние и 4 боковые. Площадь каждой из них должна быть 850 х 300 мм. Все замеры производим метровой линейкой, отрезаем материал болгаркой. После чего вырезаем две пластины размером 450 х 450 мм: одну для днища, другую для верхней плиты котла.
Делаем два отверстия под дверки в передней стенке: первое — на уровне колосника для поджигания топлива и очистки камеры сгорания, а второе – немного выше по уровню для загрузки топлива. В работе используем дрель и болгарку. Из листа нарезаем рёбра жёсткости длиной 80 см.
Достоинства и недостатки устройства
Преимущества твердотопливного оборудования:
- высокий КПД (90%);
 - экономный расход угля;
 - надежность;
 - доступность, взаимозаменяемость топлива;
 - непритязательность к качеству сырья;
 - автономная работа.
 
В дальнейшем прибор можно дорабатывать, совершенствовать, чтобы повысить производительность и автоматизировать процессы. А если собрать его самостоятельно, получится сэкономить, ведь себестоимость материалов намного ниже среднерыночной цены готовой конструкции.

Недостатки:
- крупные габариты;
 - необходимость соблюдать требования к организации котельной;
 - сложное устройство;
 - регулярное обслуживание.
 
Изготовление котла длительного горения
Котел
Сделать такую конструкцию в домашних условиях несложно, но для этого потребуются навыки работы со сварочным аппаратом и четкая инструкция.
Этап 1. Подготовка всего необходимого
Для изготовления котла потребуются:
- металлическая труба o30 см и больше с толщиной стенок в 4-5 мм;
Корпус можно изготовить из листовой стали метоодом сварки
 - сварочный аппарат;
 - листовая сталь толщиной 5 мм (для распределителя);
 - болгарка;
 - труба o6 см для подачи кислорода;
 - труба o10 см для вывода дымных газов из конструкции.
 
После подготовки оборудования и расходных материалов можно приступать к работе.
Этап 2. Сборка конструкции
Последовательность действий при сборке следующая.
Шаг 1. Труба, которая послужит корпусом конструкции, обрезается в соответствии с выбранной длиной (от 0,8 до 1 м). Если длина будет большей, это затруднит загрузку топлива при эксплуатации. Приваривается дно из листовой стали и (если требуется) ножки, выполненные из швеллера.
Труба
Шаг 2. Формируется воздушный распределитель. Для этого из листа стали вырезается круг, диаметр которого меньше диаметра конструкции на 2 см. В центре круга проделывается отверстие o2 см.
К распределителю приваривается крыльчатка с закрепленными на ней 5-сантиметровыми лопастями, изготовленными из той же стали. Сверху приваривается труба o6 см таким образом, чтобы посередине встало проделанное ранее отверстие.

Корпус котла и воздушный распределитель

Воздушный распределитель

Воздушный распределитель


Двойные стенки котла

Котел
Сверху труба оборудуется заслонкой для регулировки подачи кислорода.
Шаг 3. Возле дна котла оборудуется дверка для удаления продуктов горения. Болгаркой из стального листа вырезается прямоугольник, фиксируются петли с запорной ручкой. Прямоугольник и послужит дверкой.

Зольник

Загрузочный лючок для топлива
Шаг 4. Сверху на котел крепится дымоходная труба o10 см. Первые 40-45 см труба должна идти строго горизонтально, после чего пропускается через обменник тепла (последний выполняется в виде металлической емкости с водой).

Труба дымохода
Шаг 5. Вырезается крышка для котла, в ней проделывается отверстие для воздушного распределителя
Важно, чтобы крышка прилегала к корпусу максимально плотно, иначе через щели будет выходить дым.

Крышка котла

Крышка котла (еще один вариант)
Все, теплогенератор длительного горения готов к использованию.






























