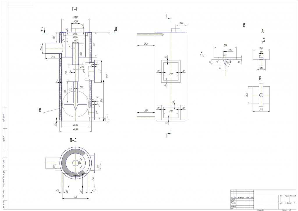
Особенности действия шахтных котлов
Воздух попадает под колосник и непосредственно в котел посредством поддувальной дверки, поэтому топливо и сжигается. Когда это происходит, образуются дымовые газы – они выводятся сквозь газовую щель. Котел Холмова имеет такую конструкцию, что объема воздуха, который подается посредством поддувальной дверки, изначально уже недостаточно для полноценного сжигания. Как следствие – при работе прибора наблюдается определенный химнедожог.
В нашем случае химический недожог свидетельствует о том, что в ходе окисления образуется не чистый углекислый газ, а он же, но уже в сочетании с угарным. Воздух, который проходит под вспомогательным колосником, затягивается в отверстия на нем. Число данный отверстий таково, что количества вторичного воздуха уже слишком много. Теплонапряженность в этом месте достаточно высокая и может достигать 700-800 градусов, вследствие чего остатки угарного газа и окисляются.
После окисления газ перемещается в радиационный отсек топочной камеры. Там он перемешивается, поднимается и делится благодаря обменнику на пару потоков. Далее посредством выходного патрубка газ попадает прямо в дымоход. Конвективная тепловая энергия забирается обменником и стенками, располагающимися рядом с ним. Рабочая жидкость после прохождения входного патрубка, соответственно, ударяется о стенку, после чего растекается и движется через весь прибор между обменником тепла и камерами. Уже прогретый теплоноситель подается в отопительную систему посредством выходного патрубка в верхней части устройства.
Изготовление шахтного пиролизного котла
Наибольшей популярностью сегодня пользуются усовершенствованные конструкции пиролизных котлов, которые обладают высоким КПД, позволяют экономить топливо, могут работать от одной загрузки 24 часа и более, обеспечивая качественный нагрев помещения. Благодаря простоте конструкции такой установки, ее можно изготовить самостоятельно, даже при наличии минимального опыта работы со сваркой.
Необходимые инструменты и материалы
При наличии на руках схемы изготовления шахтного пиролизного котла, выполнить его не составит сложности. Для такой работы не потребуется использование какого-либо сложного профессионального оборудования, можно обойтись следующими инструментами и материалами:
- Газовый резак.
- Сварочный аппарат.
- Различные столярные инструменты.
- Листовая сталь толщиной в 5 и 2 миллиметра.
- Трубы различного диаметра.
- Высокотемпературный шамотный кирпич.
- Уголки 4 на 4 сантиметра.
- Двойная зольная дверка с асбестовой прокладкой и задвижкой для регулировки подачи воздуха.
- Три задвижки, которые необходимы для дымохода и перегородок между камерами.
- Дверки для обслуживания теплообменной камеры.
- Лист оцинкованной стали.
- Базальтовая вата.
Обязательным условием выполнения качественного шахтного твердотопливного котла станет наличие на руках соответствующей схемы изготовления такого оборудования. Составить чертёж можно самостоятельно, но проще подыскать его в открытых источниках в интернете. В последующем вся работа, в частности раскрой металла, выполняется на основании имеющихся чертежей и документации.
При выборе конкретного чертежа изготовления котла следует обратить внимание на объем топочного отделения. Чем оно больше, тем дольше шахтный котел нижнего горения будет работать от одной заправки
Можно изготовить такое оборудование, размер топочного отделения которого позволит котлу нагревать помещение двое-трое суток, что существенно упрощает обслуживание техники и проживание в частном доме.
Особенности процесса горения в камере дожига
Исходные условия горения таковы, что котел работает с некоторым недожогом, и полноценного окисления не происходит, а образуется много угарного газа (СО) вместо углекислого (СО2). Вторичный воздух, нагревшись под чугунными колосниками, на которых тлеет топливо, поступает под сварную часть колосников во второй камере (горбик). При прохождении через многочисленные отверстия катализатора создается избыток поступающего воздуха, что поднимает температуру горения дымовых газов, протекающих через газовую щель, до тысячи градусов. Происходит реакция преобразования СО в СО2. Далее продукты сгорания поднимаются вверх и обтекают теплообменник, отдавая тепло. После — направляются в дымоход.
Особенности процесса горения в камере дожига
Исходные условия горения таковы, что котел работает с некоторым недожогом, и полноценного окисления не происходит, а образуется много угарного газа (СО) вместо углекислого (СО2). Вторичный воздух, нагревшись под чугунными колосниками, на которых тлеет топливо, поступает под сварную часть колосников во второй камере (горбик). При прохождении через многочисленные отверстия катализатора создается избыток поступающего воздуха, что поднимает температуру горения дымовых газов, протекающих через газовую щель, до тысячи градусов. Происходит реакция преобразования СО в СО2. Далее продукты сгорания поднимаются вверх и обтекают теплообменник, отдавая тепло. После — направляются в дымоход.
Определение с параметрами проекта
Точного определения данному понятию нет. Соответствующее оборудование появилось, как ответ на требования потребителей повысить уровень комфорта в процессе эксплуатации, увеличить выработку тепла в расчете на единицу использованных энергетических ресурсов.
Основным недостатком классических котлов является необходимость регулярного добавления топлива в топку. Сложности создают также следующие факторы:
- высокая интенсивность горения;
- сложность оперативной регулировки и контроля этого процесса;
- неполное использование тепла, которое удаляется вместе с дымом через систему вентиляции.
Для поддержания работы обычного котла лучше иметь рядом достаточный запас дров
Разные конструкции
Для решения отмеченных выше задач используют различные решения. Чтобы не закладывать часто новые порции топлива увеличивают размеры топки. Сделать процесс горения равномерным помогает размещение сверху прижимного устройства, дозированная подача воздуха.
Схема типичного котла этого класса
Создать чертежи твердотопливных котлов длительного горения своими руками будет проще после подробного изучения стандартной конструкции:
- В начальном положении прижимное устройство (10) находится в верхнем положении.
- Через дверцу (6) в топку загружают крупную партию дров.
- После поджигания происходит регулируемый механическим приводом (16) процесс горения.
- Свежий воздух подается нагнетателем через телескопическую полую внутри штангу. Он распределяется равномерно через прижимной диск (10).
- Подача кислорода сверху обеспечивает постепенное сгорание топлива, слоями.
- Золу после завершения цикла удаляют через нижнюю дверцу (13).
- Для поднятия диска (10) в верхнее положение используют лебедку (2) с электроприводом.
Недостатком данной конструкции является невозможность произвольной закладки дров в топку. Существенное преимущество – повышенная до 24 часов и более длительность одного рабочего цикла.
В следующей конструкции топливо можно подкладывать по мере необходимости. Здесь использована технология пиролиза. Она характерна дозированной подачей кислорода и низкой интенсивностью горения. Тлеющие дрова выделяют горючий газ. Он сгорает в дополнительной камере.
Пиролизный котел
Эта установка полноценно использует топливо. В продуктах сгорания содержится минимальное количество сажи. Сложной является оптимальная регулировка рабочих процессов.
Газовые и дизельные агрегаты лишены упомянутых недостатков по причине простоты дозирования соответствующих видов топлива. Подобный результат можно получить, если использовать специальным образом спрессованные гранулы из отходов деревообработки, шелухи семечек, иного горючего сырья.
Пеллетный котел
В данном варианте гранулы (пеллеты) засыпают в бункер, откуда они подаются шнековым механизмом в топку. Понятно, что такая конструкция позволяет при необходимости быстро увеличивать и уменьшать подачу топлива. Гибкое изменение производительности котла пригодится для оптимизации работы при изменении внешней температуры, подключении дополнительных потребителей. С гранулами не слишком сложно работать при транспортировке, хранении.
Теплообменник для подогрева воды
Повышают эффективность котлов с помощью сложных структур выходных узлов. В таких конструкциях повышается температура теплоносителя. Аналогичные функции выполняют полые стенки корпуса.
Чертежи твердотопливных котлов длительного горения своими руками
Прежде чем искать соответствующую документацию, необходимо точнее определиться с конструкцией. Предпочтительной является первая схема твердотопливного котла длительного горения, своими руками ее будет создать проще.
Принципиальная схема котла
Для отопления сравнительно небольшого частного дома с общей площадью 150-250 м. кв. достаточно будет следующих размеров:
Чертежи твердотопливных котлов длительного горения своими руками
При высоте чуть более 1,5 метра и ширине около 40 см не сложно будет найти подходящее место для установки. Но надо учитывать необходимость создания технологических проходов для обслуживания. Понадобится свободное пространство сверху для монтажа лебедки и другого оборудования.
Конструкторскую документацию можно создать без соблюдения стандартов
Для реализации частных проектов не обязательно соблюдению ГОСТов. Но чем подробнее получился чертеж твердотопливного котла длительного горения своими руками, тем проще будет исключить ошибки на ранних стадиях.
При удалении большого количества ржавчины перед окраской может понадобиться респиратор
Как сварить котел отопления своими руками

Схема изготовления котла длительного горения с теплообменником
До того как самому сварить котел отопления, нужно определиться с его конструкцией. Предпочтительно, чтобы она соответствовала современным требованиям к безопасности и эффективности работы. Поэтому в качестве примера будет рассмотрен котел пиролизного типа, изготовленный самостоятельно.
Как правильно сварить котел отопления подобного типа? Помимо сварочного аппарата для этого потребуются следующие материалы и инструменты:
- Листовая сталь, марки которой подбираются из данных таблицы, показанной выше. Для камеры сгорания толщина металла должна составлять 3-4 мм. Корпус можно сделать из стали меньшей толщины – 2-2,5 мм;
- Трубы для изготовления теплообменника. Их оптимальный диаметр 40 мм. Такой размер позволит быстро нагреть теплоноситель. Количество регистров — от 3 до 6;
- Как сварить котел отопления без режущего инструмента? Лучше всего для разрезания листов стали использовать «болгарку» со специальными дисками по металлу;
- Дверцы для топочной камеры и поддувала. Также нужно приобрести чугунные колосники. Это необходимо сделать заранее, так как по размерам комплектующих будут изготавливаться проемы и крепежные части котла;
- Уровень, рулетка и карандаш (маркер) для нанесения разметки;
- Защитный инвентарь – перчатки, маска сварщика, прозрачные рабочие очки и одежда из плотного материала с длинными рукавами.
Для наглядности можно посмотреть, как сварить отопление в частном доме. Видео или фотоматериалы помогут в работе, так как в них наглядно показаны все этапы и особенности их выполнения. Однако это нужно сделать только после составления чертежа и подготовки всех инструментов и комплектующих. Это относится ко всем этапам изготовления комплектующих, так как сварить отопление своими руками, включая котлы, регистры, гребенки, невозможно без правильной схемы.
Важно также подготовить место работы до того как сварить отопление в гараже. Чаще всего процесс изготовления проходит именно в нем. Для начала нужно обеспечить максимальное свободное пространство, убрав лишние предметы
Для начала нужно обеспечить максимальное свободное пространство, убрав лишние предметы
Для начала нужно обеспечить максимальное свободное пространство, убрав лишние предметы.
В целях безопасности также из гаража следует вынести легковоспламеняющиеся жидкости – бензин, масло и т.д. И только после этого можно приступать к работе — сваривать отопление в гараже. Правильная сварка котла отопления заключается в изготовлении двух составляющих – непосредственно корпуса котла и теплообменника.
Теплообменник

Теплообменник для котла отопления
Этот элемент изготавливается до того, как сваривается котел отопления. Впоследствии он будет установлен в конструкцию, которая будет напрямую зависеть от его фактических габаритов.
Конструктивно он представляет собой 2 прямоугольных бака, соединенных между собой трубопроводами. Оптимальная толщина материала должна составлять 3-3,5 мм. Это связано с высокими температурами, которые будут воздействовать на поверхность. Специфику его изготовления можно посмотреть на видео — как сварить отопление в частном доме.
На листах стали делается разметка конструкции согласно чертежам. Сначала вырезается задняя панель и к ней приваривается перегородка для отведения дровяных (угольных) газов. На этом этапе нужно быть очень осторожным, так как сварной шов не всегда может обеспечить должное крепление. Затем к перегородке и задней стенке приваривается боковая и нижняя.
Нужно отметить, что самому сварить котел отопления довольно проблематично. Поэтому эту работу рекомендуется выполнять вдвоем. В особенности это касается этапа установки готового теплообменника. Его патрубки помещаются в заранее подготовленные отверстия, а трубы точечно привариваются к внутренним стенкам котла.
Нередко стоит вопрос — как сварить отопление внутри гаража без принудительной вентиляции. Для этого работы должны проводиться только с открытыми воротами, чтобы обеспечить нормальный приток свежего воздуха.
Основной проблемой самодельных конструкций является низкая эффективность работы. Для увеличения КПД рекомендуется делать двойные стенки, между которыми устанавливается базальтовый огнеупорный теплоизолятор. Сварить подобный котел своими руками для водяного отопления можно, но для этого нужно предусмотреть дополнительный расход материала. Сначала изготавливаются двойные стенки, которые заполняются утеплителем. Затем дальнейшая технология сварки конструкции полностью соответствует вышеописанной.
Лучшие пиролизные котлы
ТРАЯН Т15 15 кВт
Модель пиролизного котла от российского производителя на твердотопливном виде питания. Изготовлен из высококачественной стали, материал не нагревается, очищается легче, чем модели из чугуна.
После продолжительного использования краска может облупиться.
Параметры:
- тип котла — твердотопливный;
- вид — пиролизный;
- тепловая мощность — 15 кВт;
- отапливаемая площадь — 160 м2;
- установка — напольная;
- энергонезависимость — да;
- управление — механическое;
- КПД — 85%;
- топливо — дрова, уголь;
- вес котла — 230 кг;
- давление — 95%;
- цена — 44370 рублей.
Достоинства:
- низкий уровень шума;
- равномерный прогрев помещения;
- быстро нагревается;
- надежная сборка;
- качественные материал;
- хорошая покраска.
Недостатки:
- высокая стоимость;
- тяжелый вес.
Буржуй-К МОДЕРН-12 12 кВт
Твердотопливный котел насыщенного яркого цвет, изготовлен из качественной стали. Мощности в 12 кВт хватает для обогрева помещения 120 м2.
Работает на дровах, угле, торфяных брикетах.
Подходит для дачного дома или мастерской.
Параметры:
- тип — котел;
- топливо — дрова, уголь, древесные брикеты, торф;
- количество контуров — одноконтурный;
- мощность — 12 кВт;
- отапливаемая площадь — 120 м2;
- камера сгорания — открытая;
- КПД — 92 %;
- управление — механическое;
- установка — напольная;
- термометр, манометр — да;
- вес котла — 220 кг;
- габариты — 400*1070*780 мм;
- стоимость — 59900 рублей.
Достоинства:
- возможность использовать разнообразное топливо;
- высокий КПД;
- наличие термометра;
- стильный дизайн;
- достойно прогревает помещение;
Недостатки:
- завышенная цена;
- тяжелый вес;
- неудобный зольник.
Буржуй-К МОДЕРН-24 24 кВт
Котел от российских производителей на твердом топливе и мощностью 24 кВт, которой достаточно для отопления частного загородного дома площадью в 250 м2.
Устройство устанавливается напольно, работает на твердом топливе.
Характеристики:
- тип — твердотопливный котел;
- количество контуров — одноконтурный;
- тепловая мощность — 24 кВт№
- обогрев площади — 250 м2;
- установка — напольная;
- энергонезависимый — да;
- управление — механика;
- топливо — уголь, дрова, пеллеты, древесные брикеты, торф;
- максимальное давление — 4.5 бар;
- термометр — есть;
- манометр — есть;
- габариты — 500*1180*800 мм;
- вес котла — 310 кг;
- стоимость — 76050 рублей.
Достоинства:
- высокая мощность;
- удобное управление;
- зольник легко очищается;
- качественные материалы;
- надежная сборка.
Недостатки:
- высокая цена;
- тяжелый вес;
- громоздкий.
ТРАЯН Т20 20 кВт
Твердотопливный котел мощностью в 20 кВт для отапливания частных домов, мастерских и других помещений. Топится при помощи угля и дрова.
Установка производится напольно, на специальные ножки.
Толстая сталь обеспечивает долговечность устройства.
Характеристики:
- тип устройства — твердотопливный котел;
- контуры — один;
- максимальная мощность — 20 кВт;
- площадь — 220 кв.м.;
- установка — напольная;
- энергонезависимость — да;
- управление — механика;
- камера сгорания — открытая;
- топливо — дрова, уголь;
- функции — термометр, манометр;
- габариты — 460*980*760 мм;
- вес котла — 260 кг;
- цена — 51990 рублей.
Достоинства:
- быстрый нагрев;
- длительное горение топлива;
- производитель оперативно отвечает на вопрос клиентов;
- простота использования;
- долговечные материалы.
Недостатки:
- высокая цена;
- тяжелый вес;
- громоздкий;
- маленькая топка.
ТРАЯН Т10 10 кВт
Устройство на твердом топливе с мощностью 10 кВт для отопления помещения на 90 м2. Подходит для прогрева небольшой студии, дачного дома или мастерской.
Характеристики:
- тип устройства — твердотопливный, пиролизный котел;
- мощность — 10 кВт;
- количество контуров — одноконтурный;
- площадь — 90 м2;
- установка — напольная;
- термометр — есть;
- энергонезависимый — да;
- управление — механика;
- камера сгорания — открытая;
- давление воды — 4,5 бар;
- размеры — 380*860*670 мм;
- вес котла — 180 кг;
- стоимость — 38990 рублей.
Достоинства:
- качественная сборка;
- удобное использование;
- легко чистить зольник;
- надежные материалы;
- быстрый нагрев.
Недостатки:
- тяжелый вес;
- высокая цена;
- малая мощность.
Все плюсы и минусы шахтных котлов
Котел Холмова — минусы:
-
— из-за бешеной популярности агрегата начали появляться подделки;
-
— в отличие от других твердотопливных котлов, творение Холмова тяжело чистить от сажи;
-
— на малых оборотах появляется конденсат;
Плюсы шахтных котлов:
-
— котел работает на всех видах топлива: опилки, дрова, пеллеты, уголь, брикеты и т. п.;
-
— устройство не зависит от электроэнергии, так как работает от регулятора тяги;
-
— безопасность — в конструкции изделия предусмотрены компенсаторы расширения;
-
— в отличие от других котлов подобного типа, в этом предусмотрена дозагрузка топливом во время работы;
-
— хоть и отсек для заправки небольшой, но процесс горения довольно долгий благодаря двум камерам.
Котел водяного отопления на дровах своими руками. Хорошо зарабатываешь?
Дымоход — это важный элемент любого твердотопливного котла. Чрезмерно утеплённого и большого дымохода не бывает. Маленький или плохо утеплённый дымоход — это вонь, дёготь, обратная тяга. Всегда старайся поднимать дымоход выше конька кровли, и по максимуму его утепляй.

В посёлке Знаменском я это сфотал. Дымоход зачётный
Неотъемлемой частью котельной с твердотопливным котлом должна быть буферная ёмкость. Она не только увеличит КПД котла, но и предотвратит закипание котла при отключении электроэнергии. При условии, конечно, что к котлу она подключена самотёком.
Буферная ёмкость также сглаживает температурные колебания теплоносителя , что происходит при закладке в котёл топлива и чистке котла. В буферную ёмкость можно врезать тэн, и он будет подогревать теплоноситель, когда некому затопить котёл.

Котел Стропува с буферной ёмкостью в котельной частного дома
Монтаж дровяного котла это важное и ответственное дело. Тебе могут неправильно обвязать котёл, и ты с ним будешь мучиться всю жизнь
Конденсат, затухание, закипание всё это может присутствовать в твоей жизни каждый день.

Твердотопливный котел Зота Магна в частном доме
Ты должен знать, что при топке дровами лучше использовать стальные котлы, для топки углем лучше выбирать чугунные котлы.
Подведём итоги отопления на дровах:
- 2 года суши дрова или используй брикеты.
- Используй стальной котёл с буферной ёмкостью.
- Организуй правильный монтаж котла с термосмесительными узлами и самотёком.
- Монтируй дымоход с минимум 40 мм утепления по всем правилам установки.
- Установи электрический тэн в буферную ёмкость, и настрой его работу по ночному тарифу на электроэнергию. Это нужно для экономии твоих денег, на случай длительного отсутствия тебя дома.
Сборка своими руками
Многие владельцы жилых зданий пытаются сделать самостоятельную сборку пиролизного котла своими руками. Сначала они разрабатывают схемы и делают чертежи пиролизного котла отопления.

Чертеж котла длительного горения
Подойти к этому процессу надо со всей ответственность, так как эти устройства пожароопасные. Если до конца не полагаетесь на свои силы, лучше обратиться за помощью к специалистам.
Если взялись за сборку котла длительного горения самостоятельно, то описание его будет следующим:
- размер 750 /500 /1500 мм;
- мощность сорок киловатт;
- затраты на изготовление составят примерно триста пятьдесят евро.
Для самостоятельного производства котла на твердом топливе понадобятся:
- стальной лист,
- труба стальная,
- труба профильная,
- круглый прут,
- вентилятор,
- кирпич шамотный,
- шнур асбестовый,
- крепеж,
- регулятор тепла,
- электроды,
- круги для болгарки.
Из инструментов понадобится сварочный аппарат, дрель, болгарка для шлифовки.
Пиролизный котел длительного горения который вы сделали своими руками даст некоторые преимущества в использовании. Не будет угрозы размораживания системы отопления зимой, пропадает надобность в теплоносителе, воздух в здании будет прогреваться быстрее, при том же внутреннем объеме, теплообменник стал больше, коэффициент полезного действия выше.
Изготовление котла длительного горения
Котел
Сделать такую конструкцию в домашних условиях несложно, но для этого потребуются навыки работы со сварочным аппаратом и четкая инструкция.
Этап 1. Подготовка всего необходимого
Для изготовления котла потребуются:
- металлическая труба o30 см и больше с толщиной стенок в 4-5 мм;
Корпус можно изготовить из листовой стали метоодом сварки
- сварочный аппарат;
- листовая сталь толщиной 5 мм (для распределителя);
- болгарка;
- труба o6 см для подачи кислорода;
- труба o10 см для вывода дымных газов из конструкции.
После подготовки оборудования и расходных материалов можно приступать к работе.
Этап 2. Сборка конструкции
Последовательность действий при сборке следующая.
Шаг 1. Труба, которая послужит корпусом конструкции, обрезается в соответствии с выбранной длиной (от 0,8 до 1 м). Если длина будет большей, это затруднит загрузку топлива при эксплуатации. Приваривается дно из листовой стали и (если требуется) ножки, выполненные из швеллера.
Труба
Шаг 2. Формируется воздушный распределитель. Для этого из листа стали вырезается круг, диаметр которого меньше диаметра конструкции на 2 см. В центре круга проделывается отверстие o2 см.
К распределителю приваривается крыльчатка с закрепленными на ней 5-сантиметровыми лопастями, изготовленными из той же стали. Сверху приваривается труба o6 см таким образом, чтобы посередине встало проделанное ранее отверстие.
Корпус котла и воздушный распределитель
Воздушный распределитель
Воздушный распределитель
Двойные стенки котла
Двойные стенки котла
Котел
Сверху труба оборудуется заслонкой для регулировки подачи кислорода.
Шаг 3. Возле дна котла оборудуется дверка для удаления продуктов горения. Болгаркой из стального листа вырезается прямоугольник, фиксируются петли с запорной ручкой. Прямоугольник и послужит дверкой.
Зольник
Загрузочный лючок для топлива
Шаг 4. Сверху на котел крепится дымоходная труба o10 см. Первые 40-45 см труба должна идти строго горизонтально, после чего пропускается через обменник тепла (последний выполняется в виде металлической емкости с водой).
Труба дымохода
Шаг 5. Вырезается крышка для котла, в ней проделывается отверстие для воздушного распределителя
Важно, чтобы крышка прилегала к корпусу максимально плотно, иначе через щели будет выходить дым.
Крышка котла
Крышка котла (еще один вариант)
Все, теплогенератор длительного горения готов к использованию.
Котел с верхним горением топлива
На постсоветском пространстве данные теплогенераторы известны в двух разновидностях:
- Прибалтийские агрегаты фирмы «Стропува» (Stropuva) и их производные от других изготовителей.
- Дровяные печи типа «Бубафоня».
Неизвестно, какой из отопителей появился раньше, но печь Бубафоня завоевала широкую популярность как обогреватель для дач, гаражей и прочих зданий с низкими требованиями к эстетике изделия. Чего нельзя сказать о котлах верхнего горения, хотя многие их почему-то считают единственно возможной версией твердотопливных теплогенераторов продолжительного сжигания. В действительности, их единственный козырь все тот же – топливник больших размеров.

В процессе эксплуатации котлов Stropuva проявилось множество недостатков, о чем свидетельствуют и отзывы владельцев на форумах:
- Нельзя подкинуть в топку поленьев, пока не сгорит предыдущая закладка. Физически это возможно, но тогда принцип верхнего сжигания нарушится, пламя охватит все слои топлива.
- При работе на свежих опилках и другом мелком мусоре остатки топлива «зависают» на стенках.
- Эффективность ТТ-котла не слишком высока, поскольку в нем отсутствует теплообменник. Из-за камеры нагрева воздуха и большого топливника для теплообменника не осталось места.
Больше критических недостатков у теплогенератора нет, а кое-что в самодельной версии можно исправить по своему разумению. Например, поставить днище и колосники, организовав зольную камеру. Избавиться от недостатка с догрузкой тоже можно, если поставить между загрузочным и зольным проемом дополнительную дверцу. Данная идея модернизации котла верхнего сжигания принадлежит другому нашему эксперту – Владимиру Сухорукову, о чем он рассказывает в своем видео:
Подготовка материалов
Круглый корпус создает некоторые неудобства в изготовлении, но и квадратным его не сделаешь, — топливо станет «зависать» по углам. Есть проблема и со сборкой телескопической трубы с грузом, так что эту часть лучше взять от печи Бубафоня. Чертеж котла длительного горения, сопоставимого по размерам с классической версией, выглядит так:

Перед тем как сделать котел, подбираем материалы по чертежу:
- труба DN 400 со стенкой 5 мм – на топливник;
- то же, DN 50 – на подачу воздуха и водяные патрубки;
- то же, DN 100 – для дымохода;
- заготовка из листа толщиной 10 мм круглой формы с диаметром 38 см;
- полоса 40 х 4 мм – для распределителей воздуха;
- арматура диаметром 16—20 мм периодического профиля – на колосники;
- базальтовая вата толщиной 3 см и плотностью 100 кг/м³;
- тонколистовой металл с полимерным покрытием.
Выбор материала водяной рубашки зависит от способа ее монтажа, ведь у домашнего мастера вряд ли найдутся в запасе вальцы, способные придать металлу толщиной 3 мм форму цилиндра. Варианты такие (показаны ниже на схеме):
- Схема №1. Взять тонкостенную трубу большего диаметра, хотя найти таковую непросто, а обычная сильно утяжелит котел.
- Схема №2. Два листа металла согнуть в 2 местах под углом 60°, а потом сварить две половинки вместе. Понадобится пресс – листогиб.
- Схема №2 в другом исполнении. Варить рубашку из 6 листов – сегментов на клипсах.
- Схема №3. Сварить прямоугольный короб, отчего увеличится объем котлового бака.

Схему №2 можно реализовать двумя способами – сварить из 2 согнутых половинок или 6 плоских листов
Также понадобится листовой металл 3 мм на обрамление дверок, дно с крышкой и воздушную заслонку.
Сборка котла
Агрегат нужно собирать в следующей последовательности:
- Сначала изготавливают корпус, прихватив короткими швами к его днищу боковые стенки и обрамления проемов. Нижним обрамлением проема зольника служит само днище корпуса.
- Изнутри к корпусу приваривают уголки, на которых будет укладываться решетчатый поддон топки (колосниковая решетка).
- Теперь нужно приварить саму решетку. Уголки, из которых она состоит, нужно приварить наружным углом вниз, так чтобы поступающий снизу воздух равномерно распределялся двумя наклонными поверхностями каждого уголка.
- Далее к уголкам, на которых уложена колосниковая решетка, приваривают топку с теплообменником.
- Дверцы топки и зольника вырезаются из стального листа. Изнутри они обрамляются стальной полосой, уложенной в два ряда, между которыми нужно уложить асбестовый шнур.
Далее приваривают дымоотводящий патрубок и воздуховод с фланцем для установки вентилятора. Воздуховод заводится внутрь котла через отверстие посредине задней стенки чуть ниже колосниковой решетки.
Теперь надо приварить к корпусу котла ответные части петель дверок и несколько кронштейнов шириной 20 мм, к которым будет крепиться обшивка.
Теплообменник нужно обложить с трех сторон и сверху базальтовой ватой, которая стягивается шнуром.
Поскольку утеплитель будет контактировать с горячими поверхностями, он не должен содержать фенол-формальдегидного связующего и других веществ, испускающих при нагреве токсичные летучие вещества.
При помощи шурупов к кронштейнам прикручивается обшивка.
Сверху на теплогенератор устанавливается контроллер автоматики, а к фланцу воздуховода прикручивается вентилятор.
Температурный сенсор нужно поместить под базальтовую вату, так чтобы он контактировал с задней стенкой теплообменника.
При желании котел можно оборудовать вторым контуром, позволяющим эксплуатировать его в качестве водонагревателя.
Контур имеет вид медной трубки диаметром около 12 мм и длиной 10 м, намотанной внутри теплообменника на жаровые трубы и выведенной наружу через заднюю стенку.
За информацию для статьи, благодарим наших коллег: microklimat.pro,v-teple.com
Принцип работы котла шахтного типа. Особенности конструкции
Среди отопительных агрегаты шахтного типа выделяются неприхотливостью к качеству топлива
Условие немаловажное, учитывая тот факт, что другие нагревательные приборы на твердом топливе капризнее в плане выбора топлива. Технологически допускается использование для топки котла поленья, влажность которых превышает 40-45%
Шахтный твердотопливный котел способен не только переварить сырые дрова, но и выдавать необходимое тепло в течение продолжительного времени. Между очередными загрузками топлива, как правило, проходит 12 часов и более. Есть модели, где эти показатели еще выше.
Свое название агрегат получил благодаря особенностям конструкции. Камера сгорания или топка в этом приборе имеет вид шахты. В агрегатах этого типа имеется две шахты: топливная и камера теплообмена. В топливной камере топливо располагается не в горизонтальном положении, а загружается, как в колодец, слой за слоем. Горение в таких аппаратах осуществляется снизу вверх, поэтому эти приборы еще называют агрегатами с нижним горением. Рассмотрим, как это выглядит на практике:
- перед самой закладкой на колосниках создается очаг;
- основная закладка укладывается уже на горящее топливо, послойно, сверху.
- постоянный поток воздушной массы не дает верхним слоям топлива разгореться;
- под собственным весом, дрова опускаются вниз, занимая место прогоревших поленьев;
- дрова, расположенные в верхней части успевают за время работы котла подсохнуть;
- в самом низу топливный шахты, при отсутствии кислорода происходит пиролиз, процесс образования древесного (пиролизного) газа.

Вторая — топочная камера или шахта теплообмена, представляет собой зону, где протекает основной процесс горения. В устье второй топки поступает пиролизный газ, который и является основным источником тепловой энергии.
Топочная шахта может иметь различное исполнение. Одни модели нагревательных приборов имеют шахту теплообмена с плоским теплообменником. Нередко в конструкции отопительного агрегата имеется водогрейный теплообменник или жаротрубное теплообменное устройство, установленные непосредственно в топочной шахте. Такой тип и расположение теплообменников является максимально эффективным. Для того, что бы получить реальное представляете о том, как устроен шахтный котел, достаточно посмотреть на рисунок — разрез устройства.

*В камеру сгорания для повышения интенсивности горения подается горячий вторичный воздух. Стенки устья камеры сгорания обкладываются шамотным кирпичом, благодаря которому достигается максимально высокая температура в топке. Шамотный кирпич не только способствует лучшему дожигу пиролизного газа, но и продлевает эксплуатационные характеристики котельного оборудования.
Выше уже было подмечено, что данный вид обогревательного котельного оборудования прекрасно справляется с топливом низкого качества. За счет принципа работы отопительной техники этого вида, дрова успевают достичь необходимых параметров влажности. Характерный для агрегатов классического типа конденсат, выделяемый в больших количествах влажными дровами, для шахтных приборов не помеха. За счет высокой производительности КПД таких агрегатов составляет 75-80%.






























